| 一、良性间叶组织肿瘤 | 《病理学》 |
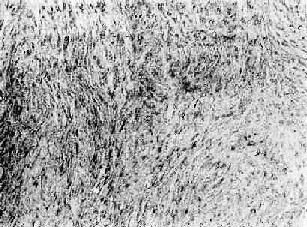
一、良性间叶组织肿瘤这类肿瘤的分化成熟程度高、其组织结构、细胞形态、硬高及颜色等均与其发源的正常组织相似。肿瘤生长慢,呈膨胀性长长,一般都具有包膜。现分述其中比较常见的类型: 1.纤维瘤(fibroma)瘤组织内的胶原纤维排成束状,互相编织,纤维间含有细长的纤维细胞(图7-15)。外观呈结节状,与周围组织分界明显,有包膜。切面灰白色,可见编织状的条纹,质地韧硬,常见于四肢及躯干的皮下。此瘤生长缓慢,手术摘除后不再复发。 瘤样纤维组织增生:纤维结缔组织呈肿瘤样增生,形成瘤样肿块,又称纤维瘤病(fibromatosis)。它包括的种类繁多,约有十多种。常见的有结节性筋膜炎、增生性筋膜炎、增生性肌炎和带状瘤等。瘤样纤维组织增生与纤维瘤不同之处在于局部呈浸润性生长,没有包膜。除见纤维母细胞外,尚见大量的肌纤维母细胞,有时纤维母细胞增生较活跃,细胞丰富,核肥大甚至具有轻度异型性和少数正常的核分裂像,切除不完全时可以多次复发但不转移。最重要的是不要将其误诊为恶性肿瘤。此种病损根据类型的不同,可见于婴儿、儿童和成人,可发生于任何部位的软组织,但以发生在四肢及腹壁的皮下、筋膜、肌肉等处较为多见。 2.脂肪瘤(lipoma)最常见的部位为背、肩、颈及四肢近端的皮下组织。外观为扁圆形或分叶状,有包膜,质地柔软,切面色淡黄,似正常的脂肪组织。肿瘤大小不一,直径由数厘米至数十厘米不等,常为单发性,亦可为多发性。镜下结构与正常脂肪组织的主要区别在于有包膜。瘤组织分叶大小不规则,并有不均等的纤维组织间隔存在。脂肪瘤一般无明显症状,但也有引起在局部疼痛者,很少恶变,手术易切除。
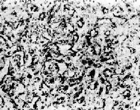
图7-15 纤维瘤 瘤组织由分化良好的纤维细胞构成,呈编织状排列,有丰富的胶原纤维 3.脉管瘤 可分为血管瘤(hemangioma)及淋巴管瘤(lymphangioma)两类。其中以血管瘤最为常见,多为先天性发生,故常见于儿童。血管瘤可以生在任何部位,但以皮肤为多见。一般分为毛细血管瘤(由增生的毛细血管构成)(图7-16)、海绵状血管瘤(由扩张的血窦构成)及混合型血管瘤(即二种改变并存)三种。肉眼上无包摸,呈浸润性生长。在皮肤或粘膜可呈突起的新鲜红肿块,或仅呈暗红或紫红色斑。内脏血管瘤多呈结节状。发生于肢体软组织的弥漫性海绵状血管瘤可引起肢体肥大。血管瘤一般随身体的发育而长大,成年后即停止发展,甚至可以自然消退。
图7-16 毛细血管瘤 瘤组织主由大量增生的毛细血管构成,部分毛细血管腔内可见红细胞 淋巴管瘤由增生的淋巴管构成,内含淋巴液。淋巴管可呈囊性扩大并互相融合,内含大量淋巴液,称为囊状水瘤,此瘤多见于小儿。 4.平滑肌瘤(leiomyoma)最多见于子宫,其次为胃肠。瘤组织由形态比较一致的梭形平滑肌细胞构成。细胞排列成束状,互相编织,核呈长杆状,两端钝圆,同一束内的细胞核有时排列成栅状,核分裂像少见。 5.骨瘤(osteoma)本瘤好发于头面骨及颌骨,也可累及四肢骨,形成局部隆起。镜下见主要由成熟的骨质组成,但失去正常骨质的结构和排列方向。骨瘤发生在颅骨内板者可凸向颅腔,引起颅神经压迫症状;发生于眼眶、鼻窦或颌骨者可引起相应部位压迫症状。 6.软骨瘤(chondroma)自软骨膜发生者,称外生性软骨瘤;发生于手足短骨和四肢长骨等骨干的骨髓腔内者称为内生性软骨瘤。内眼观,前者自骨表面突起,常分叶;后者使骨膨胀,外有薄骨壳。切面呈淡蓝色或银白色,半透明,可有钙化或囊性变,内含粘液。镜下见瘤组织由成熟的透明软骨组成,呈不规则分叶状,每一小叶由疏松的纤维血管间质包绕。肿瘤位于盆骨、胸骨、肋骨、四肢长骨或椎骨时易恶变;发生在指(趾)骨者极少恶变。
|
返回目录 |