| 一、肾上腺皮质功能亢进 | 《病理学》 |
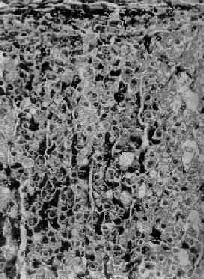
一、肾上腺皮质功能亢进肾上腺皮质分泌糖皮质激素(在人类主要是皮质醇)、盐皮质激素及肾上腺雄激素。肾上腺皮持功能亢进(hyperadrenalism)根据何种激素分泌过多可分为不同的综合征,以下两种较多见。 (一)Cushing综合征 Cushing综合征时,糖皮质激素长期分泌过多,促进蛋白异化,继发脂肪沉着。表现为满月脸、向心性肥胖、皮肤变薄并出现紫纹、多毛、痤疮、高血压、糖耐量降低、月经失调及性功能减退、骨质疏松、肌肉无力等。其病因有以下几种。 1.垂体性Cushing综合征 主要由垂体ACTH细胞腺瘤所引起,少数由于下丘脑异常分泌过多的促皮质释放因子(CRF)所致。血清中ACTH增高,双侧肾上腺呈弥漫性中度肥大,重量可达20g(正常8g左右),切面皮质厚度可超过2mm,呈脑回状。镜下主要是网状带及束状带细胞增生(图15-13、图15-14)。
图15-13 肾上腺皮质弥漫增生(大体) 肾上腺肥大,皮质弥漫性增厚,切面呈脑回状
图15-14 肾上腺皮质弥漫增生 图15-13之镜下观,肾上腺皮质束状带弥漫性增厚 2.异位分泌ACTH或CRF肿瘤肾上腺变化与上述同。 3.肾上腺皮质结节性增生(adrenocortical nodular hyperplasia)其原因不明,有的呈家族性。双侧肾上腺明显肥大,重量可超过50g,在弥漫增生的基础上又有许多增生的结节,大小不等,直径从数毫米至2.5cm。镜下,弥漫增生者主为网状带及束状带细胞,而结节内多为束状带细胞,常见多量脂褐素,致结节呈棕褐色。患者血清ACTH水平下降。 4.功能性肾上腺肿瘤 除肿瘤变化外,血清中ACTH减少,致使肾上腺非肿瘤部分萎缩。 5.长期使用糖皮质激素类药物 例如地塞米松(dexamethasone),由于反馈抑制垂体前叶释放ACTH,故血清中ACTH等减少,双侧肾上腺皮质萎缩。 (二)醛固酮增多症 原发性醛固酮增多症(primary aldosteronism)是肾上腺皮质增生的细胞分泌过多的醛固酮所致,引起高血钠症、低血钾症及高血压。本症血清中肾素降低,这是由于钠潴留使血容量增多,抑制了肾素的释放。本病80%是由于功能性肾上腺肿瘤引起,其余为原因不明的两侧肾上腺皮质增生等,这种增生常呈弥漫性,有时也呈结节状,镜下主要为球状带细胞增生,有时也混杂些束状带细胞。 继发性醛固酮增多症是由于各种疾病造成肾素分泌增多所致,肾素可使血浆中的血管紧张素原转变为血管肾张素,后者刺激球状带细胞使醛固酮的分泌增多。
|
返回目录 |